FETによるラムダダイオードの
電圧ー電流特性グラフの実験
| ラムダダイオードのデータシートに、内部の構造図として、NチャネルJ-FETとPチャネルJ-FETが組み合わさった図が等価回路として出ていました。 そこで、J-FETを使ってラムダダイオードを作りにチャレンジしてみました。 |

![]() |
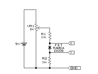
ラムダダイオードの動作を実感する為、手動で加える電圧を調整できるように、9Vの乾電池(006P)からVRで分圧してFETラムダダイオードに加えられるようにしました。 測定個所は電圧計でも良いですし、オシロにつないでボリュームを素早く動かすと、電圧ー電流特性図の軌跡がみえます。 |
![]() |
また、ラムダダイオードの測定で使った冶具を使えば、ボリュームを素早く動かさなくても電圧ー電流特性図を見る事が出来ます。 測定個所に、J-FETで組んだラムダダイオードを接続して測定します。 |
![]() |
まずは、データシートの等価回路そのままで試してみました。 NchJーFETは、2SKー170、 PchJ-FETは、2SJー74 を使いました。 |
![]() X=1V/DIV:Y=200μA/DIV |
発振しているのか、それともNch、PchFETのそれぞれのドレイン・ソース間の抵抗が合っていない為か、線が途中で飛んでしまっています。 |
![]() |
Nch、PchFETのドレイン・ソース間の抵抗のバラツキを疑い、ソース・ソース間に内部抵抗より十分大きい抵抗を入れてみました。 |
![]() X=0.2/DIV:Y=10μA/DIV |
ドレイン・ソース間の抵抗は、電源をつながないでブレッドボード上に挿したままで測定し、2SK170が約60Ω、2SJ−74が約40Ωでした。 これらを合わせた抵抗値より、十分に大きい値と考え、抵抗値を1kΩから徐々に大きくして、3.9kΩのとき、写真のような波形になりました。 今回実験したものでは、3.9kΩより小さいと波形が飛んでしまい、大きいと電流が少なくなるので、この値にしました。 0Vから+電圧方向に向かう輝線は出ましたが、+電圧から0Vに戻る輝線が途中で消えて見えていません。 |
![]() |
いろいろと試し、ゲートからソースに1MΩの抵抗を入れてみました。 ソース・ソース間に入れた抵抗を、2.2kΩ2本に分けて、NchJ-FET、PchJ-FETのゲートからそれぞれ、ソース・ソース間の抵抗の中間点に抵抗1MΩを接続しています。 |
![]() X=0.2/DIV:Y=10μA/DIV |
今度は、0Vから+電圧方向に向かう輝線も、+電圧から0Vに戻る輝線も出ました。 重っていませんが、ラムダダイオードと同じように、負性抵抗を示す電圧ー電流特性図が出ました。 その後、色々試しましたが、波形をピッタリと揃えることが出来ませんでした。 |
![]() |
また、この波形も全波整流したり、周波数を上げていくと、写真(写真は1kHzを半端整流)のように+電圧から0Vに戻る輝線が段段小さくなり、輝線が上下に離れていってしまいました。 この結果から、MA522より速度が遅く、あまり高い周波数では使えないようです。 FETを変えれば、あるいは高い周波数でも動作するかもしれません。 |
![]() X=1V/DIV X=1/DIV:Y=20uA/DIV |
ここで、改めて本物のラムダダイオードMA522の電圧ー電流特性図を見てみました。 行きも帰りも輝線は重なっています。 それぞれの値は、 IP=0.09mA Vv=3.5V でした。 |
![]() TIME:20ms/DIV VOLT:X=5/DIV:Y=50mV/DIV |
MA522の波形をXーY座標の電圧ー電流特性グラフではなく、電流、電圧を独立した信号として、別々に分けて見てみました。 写真のように、Yの波形(Ip)に角のような波形は、左右均等に出ています。 |
![]() X=1/DIV:Y=20uA/DIV |
MA522と同じレンジで、今回組んだJ-FETで作ったラムダダイオードの電圧ー電流特性図を見てみました。 IP=0.05mA Vv=1V MA522に比べ、電圧Vvの幅も、電流Ipも、全体的に小さいです。 |
![]() TIME:20ms/DIV VOLT:X=5/DIV:Y=50mV/DIV |
こちらも、電圧、電流それぞれの信号に分けて見てみました。 Yの波形(Ip)は幅が細いですがやはり角のような波形が、MA522とおなじように、ほぼ左右均等に角のような波形が出ています。 綺麗な負性抵抗の電圧ー電流特性の波形を描かせるには、この角のような波形を左右均等に出ていないといけないようです。 |
番外編
![]() |
今回、波形を揃えるところまで出来ませんでしたが、実験の途中、不思議な波形を観測しました。。 |
| これは、ゲートードレイン間に入れた1MΩの抵抗の場所ににSiダイオードを入れ、オシロの波形を見ると、・・・ |
|
![]() |
トンネルダイオードの電圧ー電流特性に似た波形が出ました。 |
![]() |
トラ技スペシャルNo.4でCMOSーICについて調べていた時、ふと見ると、写真のようなグラフが、・・・ 「これは負性抵抗では・・・」と、ディジタル回路について調べていたことを忘れ、グラフの説明を読んでみると、CMOS-ICのインバータの入出力特性でした。 CMOSは、PchとNchのFETを利用して、入力電圧2.5V以上は「1」、2.5V以下は「0」となるように造られています。 グラフは、2つのFETの入力電圧ー電流特性を重ねたようになり、写真のような波形が出ます。 実験に使ったインバーターは、型番の最後にUB(アンバッファ)のつくタイプです。 MC14049UB TC4069UBP (グラフが若干右に傾いているのは、電流を取り出す抵抗の値が大きいためです。) |