
| 秋月のメロディーIC&アラームキットをそのまま組み立てないで、ブレッドボード上に展開してみました。 電子工作の中でのメロディーICは、主に回路の動作中や、センサーの検知、タイマー終了のアラームなどに使われています。 キットなので、専用の基板にそのまま半田付けして組み立てても良いのですが、実験でいろいろ試して使う場合、半田コテで部品を付けたりはずしたりしていると部品が痛みます。 ブレッドボードなら半田コテを使わないので、部品を痛めずに予備実験をして機能や使い方を充分に試す事ができます。 |

| 材料 | 数 |
| 秋月11曲メロディー&アラームキット | 1 |
| ブレッドボード(部品配線用) | 1 |
| ブレッドボード(電源配線用2個入り) | 1 |
| ジャンプワイヤーセット | 1 |
| 電池ソケット(単3乾電池¥2本用) | 1 |
| 単3乾電池 | 2 |
| 電池スナップ(ブレッドボード用に加工) | 1 |
| スピーカは、そのままではブレッドボードに使えませんので0.6mmのスズメッキ線を2cm半田付けして下さい。 |


スイッチ操作と機能
| DIPスイッチは4桁ありますが上2桁しか使っていません。 上2桁の1番と2番は動作MODEを決めています。 それぞれのMODEで メロディー演奏 アラーム1(キンコンカンコン) アラーム2(ピンポン) アラーム3(ピピピピピピピピ、・・・・・・・・) に設定されます。 プッシュスイッチ赤は、強制ストップで演奏中に押すと、演奏が停止します。 プッシュスイッチ黄は、メロディーMODEで、押すと押すごとにメロディー1〜8が順次変わって演奏されます。 プッシュスイッチ青は、メロディーMODEで、プッシュスイッチ黄で選択されたメロディーを、はじめか演奏します。 |
メロディーICのMODEとスイッチ
| SW1 | OFF | ON | ON | OFF |
| SW2 | OFF | ON | OFF | ON |
| MODE | メロディー | アラーム1 | アラーム2 | アラーム3 |
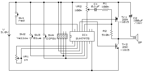
回路図
