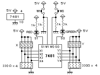
TTL-IC(バイポーラRAM)メモリ7481の実験

フリップ・フロップセルが4列4行並んだ、
1x16ビットのTTL−ICメモリです。
RS−FFが4x4で16個入っている構造です。
X−YでどのRS−FFか指定して、
入力W1、W0がSET、RESET
出力S1、S0がQ、_Q出力
と考えると理解しやすいです。
7489同様、出力はオープンコレクタの負論理なので、
出力が「L」の時LEDが点灯するようにしています。
写真では、入力のプルダウンに470Ωの抵抗を
使っていますが、電池が新しいと「L」と認識しなくなり
ましたので、回路図のように330Ωに変更しました。
ノーマルTTLなのであまり
インピーダンスを上げると、Lと認識しません。
TTL-バイポーラICメモリSN7481のPIN配置
![]() |
No. | ピン端子 | No. | ピン端子 |
| 1 | X3 | 14 | X4 | |
| 2 | X2 | 13 | W1 | |
| 3 | X1 | 12 | S1 | |
| 4 | Vcc | 11 | S0 | |
| 5 | Y1 | 10 | GND | |
| 6 | Y2 | 9 | W0 | |
| 7 | Y3 | 8 | Y4 |
動作条件表
| 入力 | 機能 |
| X1−X4 | 行選択 |
| Y1−Y4 | 列選択 |
| W1 | S1→Lにセット、S0→Hリにセット |
| W0 | S1→Hにリセット、S0→Lにセット |
実験回路図

実体配線図
