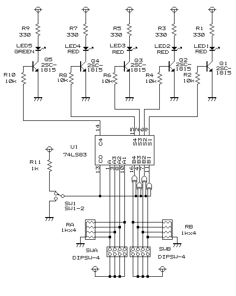
EZH}