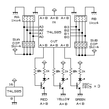
H}